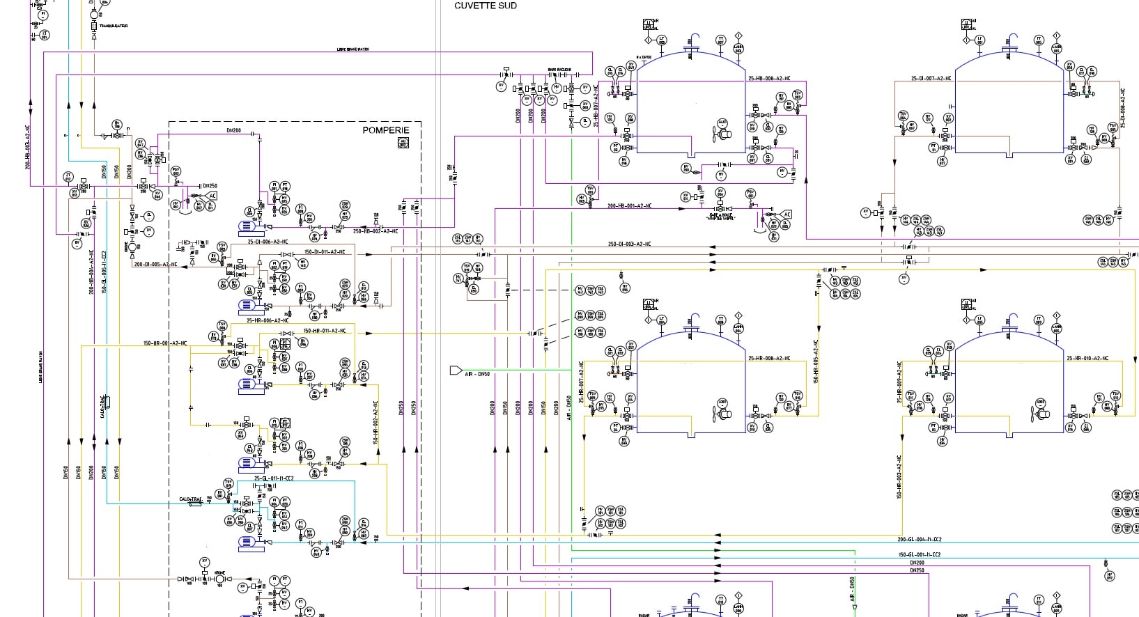
PID/PCF :
MAQUETTES 3D : Via plateforme Autodesk PLANT3D, REVIT.
PLANS d'IMPLANTATION : Via plateforme Autodesk PLANT3D, REVIT.
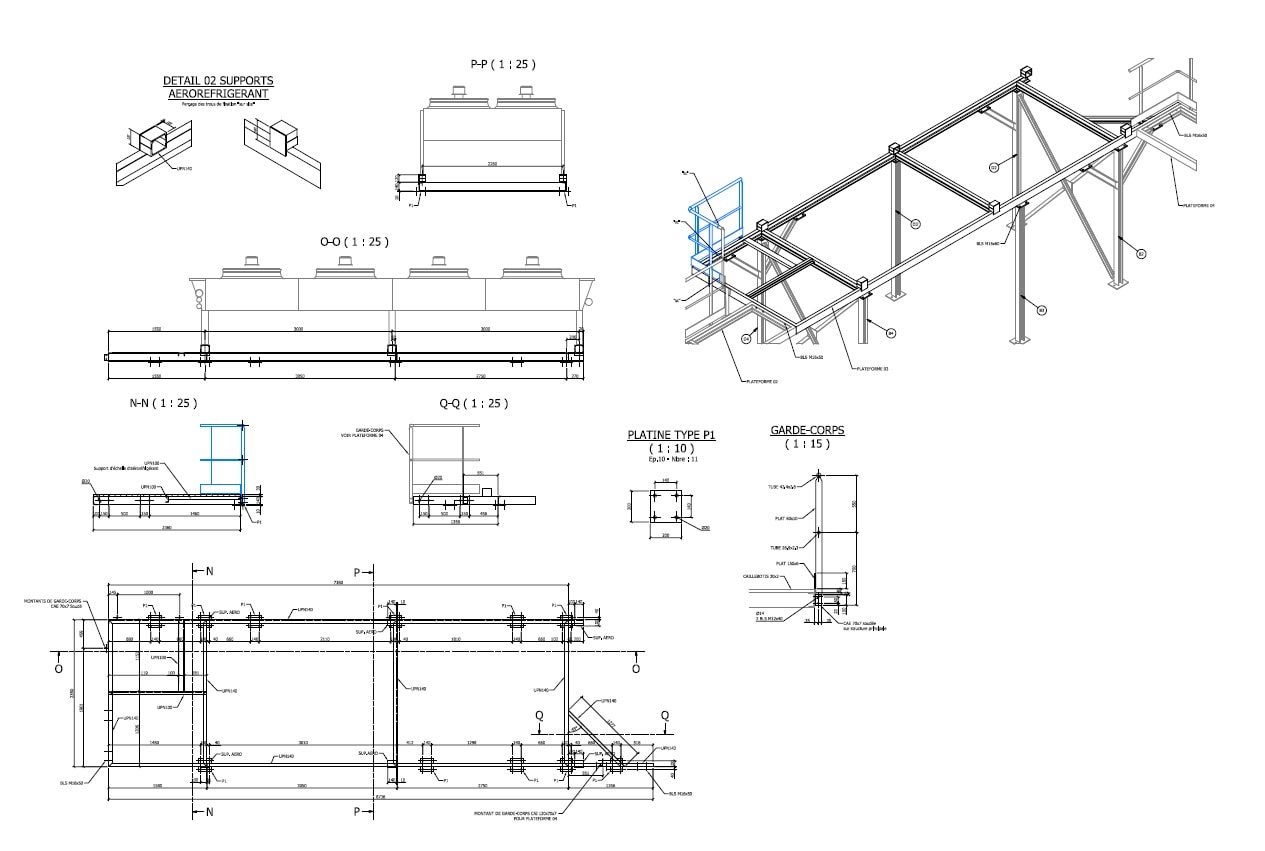
STRUCTURES METALLIQUES : Projets 3D, plans Guides, plans d'exécutions.
ISOMETRIQUES : Via générateur PLANT3D
Création par :
PIGT 2016